jueves, 14 de abril de 2011

Simple SO2R de Audio (KISS V2.0)


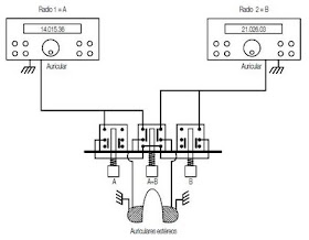
Despues de haber descubierto (re-descubierto en realidad) las bondades de un enfoque KISS (keep it simple stupid!!) para el controlador SO2R implementé la parte que se corresponde con el controlador de PTT/KEY el cual hé estado probando y funciona bien. Sin embargo en las pruebas con el controlador tengo cableado directamente el audio del rig1 y rig2 a los canales L y R de los auriculares directamente. Si quiero escuchar con uno solo de ellos tengo que ir o al filtro o al wave mixer de la placa de sonido y silenciarlo (mute); simplemente bajar el volumen del rig que no quiero escuchar no es una opción cómoda; por un lado el radio está a mi espalda y en segundo lugar hay que trabajar cuidadosamente en calibrar que el audio tenga un nivel similar (tal como es percibido por cada oido) para que la operación conjunta no genere cansancio rápidamente. Puedo bajar rápidamente el volumen de una de las radios, pero luego requiero recalibrar el nivel. Por su parte silenciar los canales requieren entre 3 y 5 clicks de mouse, no es cómodo tampoco para una respuesta rápida. Quizás con más práctica voy a poder sostener escuchar en ambos oidos simultaneamente, y de hecho puedo manejar que haya señal en uno y ruido en el otro, pero en este momento si intento operar con señales simultaneamente en ambos oidos me resulta muy complicado decodificar lo que está en un oido si estoy escuchando un contacto en el otro; no tengo idea de la cantidad de horas adicionales de práctica que se van a necesitar para adquirir esa habilidad (o siquiera si puedo, por limitaciones fisiológicas propias, alguna vez lograrlo). Leyendo el artículo de Dani (EA5FV) de una entrada anterior el muestra un controlador SO2R de audio solamente muy simple, sin embargo su simpleza radica en disponer de una llave a botonera que el mismo admite puede ser dificil de conseguir. Supongo que alguien podrá tener alguna de desarme, pero comprar una nueva quizás no sea facil. Basicamente es una llave que tiene tres contactos de dos vias inversoras cada uno que operan de forma tal que mientras una llave están normalmente cerradas (NC) las otras dos están normalmente abiertas (NO), el esquema del controlador se adjunta para mayor facilidad. El controlador está cableado de tal manera que la llave central cuando es presionada rutea el rig1 a un auricular y el rig2 al otro (A+B). Presionando otro de las llaves (A) el audio se rutea a canal L y R desde el rig1 y con la otra llave (B) el audio se rutea a ambos canales desde el rig2. Entonces el escuchar ambos o selectivamente cualquiera de los rig es presionar una llave, mucho mas rápido creo que cualquier otro arreglo. Si bien la llave no se consigue facilmente esta puede ser reemplazada por dos relays comunes de una via mas un microcontrolador 12F675 para accionarlos. La idea general es que en reposo, con el controlador apagado o recién inicializado, el ruteo sea el correspondiente a A+B. Los dos relays están conectados a las salidas GP0 y GP1. Dos relays permiten cuatro combinaciones y se necesitan 3 (A+B,A y B) por lo que se puede implementar. Sendos pulsadores están conectados a las entradas GP2 (A+B), GP3 (A) y GP4 (B), los pulsadores tienen una resistencia de pull para dar un alto sólido (+5V) si el microswitch NO está sin activar. Al pulsar el A+B el microcontrolador se re-inicializa. Al pulsar el correspondiene a A el controlador emite 00000001B (0x01) de forma que se activan activa rutear el audio del rig1, al pulsar el correspondiente al B el controlador emite 00000010B (0x02) de forma de rutear el audio del rig2. En realidad la secuencia remanente (00000011B) no es necesaria pero en esta configuración solo lograría invertir el audio de los dos radios de auricular. El software para que el microcontrolador ejecute esta secuencia es trivial (pero aún no lo escribí). Con todo lo que me gustaría no estoy seguro de tener tiempo para construir y probar este diseño antes del CQ MM DX del próximo fin de semana, el diseño es trivial pero entre construcción y depuración son algunas horas de trabajo, horas que esta semana juegan a las escondidas conmigo.

No hay comentarios:

Publicar un comentario